mips-cpu-logisim
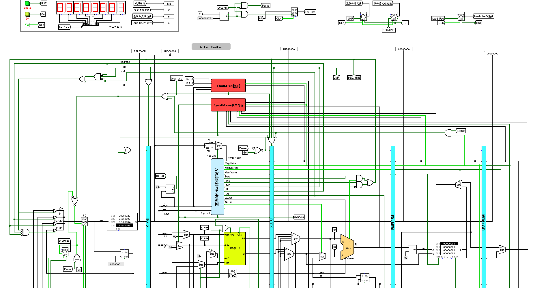
Logisim实现的五级流水线MIPS CPU
指令集
实现MIPS指令集子集(24条指令):
-
R型移位指令:sll、sra、srl
-
R型算数指令:add、addu、sub
-
R型逻辑运算指令:and、or、nor
-
R型比较指令:slt、sltu
-
R型分支指令:jr
-
R型系统调用:syscall
if $v0 = 34 数码管显示$a0值
else 暂停 等待Go按钮按下
-
I型分支指令:beq、bne
-
I型立即数运算指令:addi、addiu、slti、andi、ori
-
I型访存指令:lw、sw
-
J型分支指令:j、jal
运行
- 使用logisim-2.7.1cn.jar或logisim-ita-cn-1204.exe
- 打开相应.circ文件
- 指令存储器加载测试数据镜像(test目录下)
- ctrl-k运行
运行示例
运行递归斐波拉契程序如下所示:
To-Do
- 中断
- 总线
- IO
